A333 / B738, Barcelona Spain, 2022
A333 / B738, Barcelona Spain, 2022
Summary
On 2 July 2022, a Boeing 737-800 taxiing for departure from runway 24L at Barcelona, Spain, under ground control and using a route which crossed the runway 24R extended centreline was abruptly stopped by the controller on the centreline. Almost immediately, an Airbus A330-300 departing 24R overflew the 737 at about 700 feet. The 737 should have been stopped at an earlier unlit stopbar position before the A330 was given takeoff clearance. An inadequate lighting control and indicating system was assessed as a contributing factor. Both controllers involved were qualified but very inexperienced.
Flight Details
Aircraft
Operator
Type of Flight
Public Transport (Passenger)
Flight Origin
Intended Destination
Take-off Commenced
Yes
Flight Airborne
Yes
Flight Completed
Yes
Phase of Flight
Take Off
Flight Details
Aircraft
Operator
Type of Flight
Public Transport (Passenger)
Flight Origin
Intended Destination
Take-off Commenced
No
Phase of Flight
Taxi
Location - Airport
Airport
General
Tag(s)
PIC less than 500 hours in Command on Type
HF
Tag(s)
ATC clearance error,
Procedural non compliance,
ATC Team Coordination
RI
Tag(s)
ATC error,
Incursion pre Take off,
Runway Crossing,
R/T Response to Conflict
Outcome
Damage or injury
No
Non-aircraft damage
No
Non-occupant Casualties
No
Off Airport Landing
No
Ditching
No
Causal Factor Group(s)
Group(s)
Air Traffic Management
Airport Operation
Safety Recommendation(s)
Group(s)
Air Traffic Management
Airport Management
Investigation Type
Type
Independent
Description
On 2 July 2022, an Airbus A330-300 (N803NW) operated by Delta Air Lines on a scheduled international passenger flight from Barcelona to New York JFK as DAL169 overflew a Boeing 737-800 (EI-DYO) operated by Ryanair on a scheduled international passenger flight from Barcelona to Bologna as RYR18NN in day visual meteorological conditions (VMC). The 737 had unexpectedly been told to stop on the extended centreline of the runway from which the A330 was departing. Local procedures did not permit use of the taxiway where the 737 stopped when an aircraft was taking off. Both aircraft were in compliance with their respective clearances at the time, and both controllers involved were qualified but very inexperienced.
Investigation
An investigation was carried out by the Spanish Commission for the Investigation of Accidents and Incidents (CIAIAC), using recorded ATC communications and radar data.
Flight Crew and Controller Experience
It was noted that the 59-year-old A330 captain had a total of 18,178 hours flying experience, including 91 hours on type, and the 57-year-old first officer, who was acting as pilot flying (PF) for the departure, had a total of 13,957 hours flying experience, including 724 hours on type. The 36-year-old 737 captain, who was acting as PF for the departure, had a total of 6,200 hours flying experience, which included 4,400 hours on type, and the 37-year-old first officer had a total of 2,500 hours flying experience, all but 200 hours of which was on type.
The 28 year-old ground controller involved had received his licence one month prior to the event and had been at Barcelona “less than a month” since his licence had been endorsed with ratings for Aerodrome Control Instrument, Control Tower, Ground Movement Surveillance and Aerodrome Radar Control. The other controller involved, the 30 year-old Tower arrivals controller, had received his licence eight months earlier and since then had been at Barcelona and had obtained the same licence endorsements as the ground controller.
Context
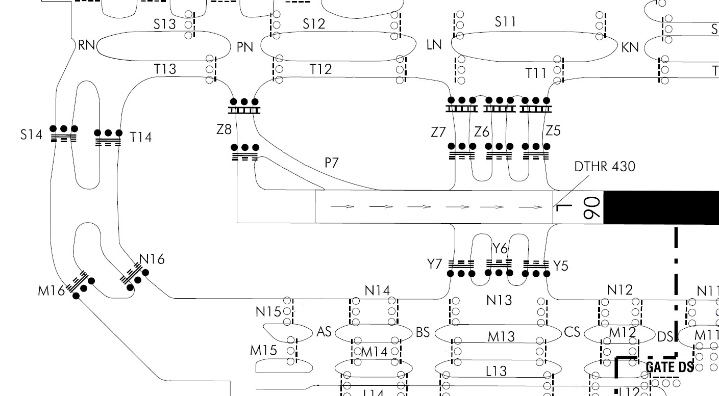
When the airport is operating in a westerly configuration, one of the main taxi routes between the north-side stands and the normally designated departure runway 24L involves crossing the runway 24R extended centreline just beyond the end of that runway when on taxiways S14/M16. A similar route is used by arriving aircraft destined for the north-side stands when the arrival runway is 24L, and they use taxiways N16/T14, which are slightly nearer the end of runway 24R. The illustration below shows this area.
Taxiways S14/M16 and N16/T14 are respectively 350 metres and 280 metres from the end of the clearway. Beyond the clearway, “there is a takeoff climb obstacle limitation surface, with a gradient of 2%,” which in the usual westerly runway configuration would be breached if an aircraft with a height of more than seven metres crossed the runway extension using the stopbar-protected part of either of these routes.
The taxiway configuration around the end of runway 24R. [Reproduced from the Official Report]
The stopbars are monitored and operated from a dedicated “lighting control and indicating system” screen located just to the right of the runway controller's main screen (see the illustration below). To change a stopbar between on and off, the required change is selected and then confirmed by pressing twice on the screen to accept the change and waiting to see if the system responded accordingly by changing the colour of the stopbar concerned.
The TWR Controller position showing the lighting control screen on the right. [Reproduced from the Official Report]
What Happened
The airport was operating in its westerly configuration which, although runway 24R is the main arrival runway, allows its exceptional use on request for “non-preferential takeoffs,” as it is longer than 24L.
The 737 was taxiing for normal departure on runway 24L and had reached a position beyond the upwind end of runway 24R when it was instructed to stop, which it did on the extended centreline of 24R. Soon afterwards, the departing A330 was accelerating through 120 knots, and five seconds later, as it passed 150 knots, the previously unlit stop bar was activated. Just under half a minute later, the A330 cleared the stationary 737 by approximately 700 feet.
As the A330 entered runway 24R to begin its takeoff, the 737 had taxied along the parallel taxiway and was about to turn left into the undershoot link just beyond the upwind end of runway 24R. Nearly half a minute later, as the A330 began its takeoff, the 737 was just passing over an unlit stop bar located on the undershoot link prior to the runway 24R.
Why It Happened
Approximately 15 minutes prior to the overflight event, the westerly configuration for runway use was introduced. At that time, the 24R tower (arrivals) controller advised the Approach controller that he had accepted a request (from the Delta A330) for what would be the first “non-preferential” departure from 24R. Issue of a corresponding takeoff clearance was approved. He then coordinated this intended departure with the North ground controller due to the requirement that whilst this takeoff was occurring, no aircraft or vehicle could use the S14 taxiway, which crossed the runway 24R extended centreline just beyond the end of the runway.
Having asked the Central ground controller to arrange the transfer of the departing A330 as soon as possible, he then contacted the North ground controller to “assume control of the S14 taxiway” and turned on the stopbar lights. Almost immediately, the A330 crew checked in on the 24R tower frequency and advised they would be at the full-length holding point “in about three minutes (and) would need one minute once there." However, the A330 was marginally slower than expected reaching the holding point, and it became clear that it could not yet be fitted in to the flow of landing traffic.
A new departure was then organised behind what would be the first three aircraft to land on 24R following the new runway configuration. The tower controller then informed the North ground controller of the delay and said that he would therefore temporarily turn off the S14 stopbar lights. Two minutes after this, a Ryanair 737 requested taxi instructions after pushback from a north-side parking position and was cleared to taxi west on the north parallel departure and around the end of runway 24R using S14 and continuing beyond it towards its departure runway.
Just over ten minutes after switching off the S14 taxiway stopbar, the 24R tower controller issued takeoff clearance to the A330, and 30 seconds later advised the approach controller accordingly. However he had not contacted the North ground controller or switched the S14 taxiway stopbar back on. However, having observed the A330 on its takeoff roll, the Central ground controller had called the North ground controller to tell him, and the latter had immediately switched on the S14 taxiway stopbar and instructed the Ryanair 737 to “hold position.” The Central ground controller also informed the Tower Supervisor that he had not received any instruction to temporarily cease issuing clearances to use taxiway S14. Once the 737 had been instructed to continue taxiing, the Ryanair 737 crew called North ground control to advise that they would be reporting the occurrence as they believed an irregularity had been committed.
The Cause of the investigated event was determined as “a failure to adhere to procedures on the part of the TWR arrivals controller, who neglected to stop the flow of traffic across the S14 bypass taxiway”.
Two Contributing Factors were “thought to have” been relevant:
- The design of the non-preferential runway takeoff checklist.
- The ergonomics of the lighting control and indicating system.
Two Safety Recommendations were made as a result of the findings of the Investigation as follows:
- that AENA (the State Airports and Air Navigation Agency) in collaboration with ENAIRE (the State ANSP) improve the lighting control and monitoring system at Josep Tarradellas Barcelona-El Prat Airport so that it can be monitored from the controller's principal working position.
- that ENAIRE, in collaboration with AENA, improve the lighting control and monitoring system at Josep Tarradellas Barcelona-El Prat Airport so that it can be monitored from the controller's main working position.
The Final Report of the Investigation was approved on 29 November 2023 and subsequently released online simultaneously in both the definitive Spanish version and in English translation on 15 January 2024.







