B752/B722, Providence RI USA, 1999
B752/B722, Providence RI USA, 1999
Summary
On December 6, 1999, United Airlines Boeing 757 failed to follow its taxi-in clearance after landing at night in thick fog at Providence RI and ended up at the edge of the runway it had just the landed on as a departing FedEx Boeing 727 passed very close by. The TWR controller, without surface radar available, then made unjustified presumptions about the 757s position and twice cleared a 737 to take off whilst the runway was still obstructed. Fortunately, the crew of that aircraft declined until safety was positively assured by the eventual arrival of the 757 at the terminal.
Event Details
When
06/12/1999
Day/Night
Night
Flight Conditions
On Ground - Low Visibility
Flight Details
Aircraft
Operator
Type of Flight
Public Transport (Passenger)
Intended Destination
Take-off Commenced
Yes
Flight Airborne
Yes
Flight Completed
Yes
Phase of Flight
Taxi
Flight Details
Aircraft
Operator
Type of Flight
Public Transport (Passenger)
Flight Origin
Intended Destination
Take-off Commenced
No
Flight Airborne
No
Flight Completed
No
Phase of Flight
Pushback/towing
Location
Location - Airport
Airport
General
Tag(s)
Aircraft-aircraft near miss,
Airport Layout,
Inadequate Aircraft Operator Procedures
HF
Tag(s)
ATC clearance error,
Inappropriate ATC Communication,
Ineffective Monitoring,
Procedural non compliance,
Spatial Disorientation
RI
Tag(s)
ATC error,
Accepted ATC Clearance not followed,
Incursion after Landing,
Intersecting Runways,
Near Miss
Outcome
Damage or injury
Yes
Non-aircraft damage
Yes
Non-occupant Casualties
No
Off Airport Landing
Yes
Ditching
Yes
Causal Factor Group(s)
Group(s)
Aircraft Operation
Air Traffic Management
Airport Operation
Safety Recommendation(s)
Group(s)
None Made
Investigation Type
Type
Independent
Description
On 6 December 1999, a Boeing 757-200 being operated by United Airlines failed to follow its taxi-in clearance after a night landing in fog at Providence RI and ended up at the edge of the same runway it had just landed on as a departing FedEx B727-200 passed close overhead. Despite being advised by the 757 that it was uncertain of its position but believed it was on an active runway, the TWR controller then twice cleared a MetroJet Boeing 737-200 to take off on the same runway. The crew of that aircraft declined both clearances pending certainty on the position of the lost 757.
Investigation
Although the National Transportation Safety Board (USA) (NTSB) investigated this complex and serious incident, for reasons that have not been established, no formal official report of the Investigation was ever published. However, all the pertinent factual information was officially released during a subsequent overall review by the Board of runway incursions in which this event was one of four examples of serious runway incursions which occurred in 1999 and were detailed at a Public Hearing dedicated to the subject on 13 June 2000. The account provided here is based on information provided at that hearing and on the FAA R/T Transcript of the event.
It was established that TWR ATC service was being provided by the same controller throughout the time of the investigated event and noted that there was no surface movement radar at the airport at the time. During the incident, the reported vertical visibility of 100 feet and the reported horizontal visibility of 400 metres did not appear to change and the Runway Visual Range (RVR) for the runway in use was noted to have varied between 370 metres and 430 metres.
The 757 had exited runway 05R to the left after landing and been given and accepted a clear taxi instruction to follow taxiways N and T to report crossing runway 16 (which was not in use but would indicate proximity to the apron). Just under two minutes after this clearance had been acknowledged, TWR cleared a FedEx Boeing 727 to take off from runway 05R. Nine seconds after this clearance had been acknowledged, the 757 called “(C/S) on November by the runways here we don’t see the uh are we cleared to cross straight ahead on November?” to which the TWR replied “affirmative cross runway 16 join taxiway November Tango on the other side” and this was acknowledged. At this point, it was subsequently deduced that the 757 was actually at the intersection of taxiway ‘B’ and runway 16 having taken a hard left turn off taxiway ‘N’ onto taxiway ‘B’ contrary to clearance. Then, just over a minute after the 727 had acknowledged its take off clearance, the 757 called again with “we’re approaching kilo here uh um --- somebody just took off”.

The timed tracks of the two aircraft (reproduced from the NTSB Safety Recommendations Letter dated 6 Jul 2000 re A-00 66-71)
Having realised that the 757 was not on its cleared route, the TWR controller told it to stop without having worked out where it was even though the crew followed up with “we are currently on a runway and I’m looking out to the right with kilo uh we need to go on the kilo taxiway” and then unequivocally “…we are on 23 right (sic) intersection 16 and we did not connect on November we are by kilo to our right and we just overshot kilo we did not see it”.
The TWR controller did not acknowledge this and less than 30 seconds later, she cleared a Metrojet Boeing 737-200 which was about to enter the runway to take off on 05R to which the 757 responded with “ma’am I’m trying to advise you that we’re on an active runway”. The 737 declined the take off clearance and the TWR controller said “standby radio silence until I talk to you”. Then, despite a further call from the 757 clearly stating that they were on 23 right (sic) and could get clear by taxiing straight ahead onto ‘K’ and get off the runway”, the TWR controller again cleared the 737 to take off and the Captain again declined “till we figure out what’s going on down there” The TWR controller responded that “..he’s not anywhere near the runway” having appeared to be confused by the 757 crew’s use of ‘23R’ rather than ‘23L’ to describe their position and ignored the report of an aircraft taking off.
After about two minutes, the TWR controller finally appeared to work out what was happening and the 757 was eventually routed off runway 05R onto ‘K’ then ‘K1 then onto runway 16, crossing runway 05R again and eventually turn left onto runway 23R[1] before turning right on ‘T1’ to the apron.
The 737 advised that it would not accept take off clearance until the 757 was at the gate. When this location of the 757 was confirmed, the 737 was given a take off clearance by the TWR controller for "23L" which was corrected to "05R" after the crew had read it back without a runway designator.
The actual proximity of the 757 to the departing 727 could not be reliably established but it was noted that the sound of the 727 could be “clearly heard” in the background of the ATC recording of the 757s transmission of their ‘on runway’ position report.
Because of a number of other equally serious runway incursion events had also occurred in 1999, following the 13 June 2000 Public Hearing, the NTSB issued a total of six Safety Recommendations to the FAA aimed at collectively addressing the demonstrated runway incursion risk. These covered:
- the requirement for an runway collision alerting system providing a direct and timely alert to pilots.
- more rigorous ATC procedures for the issue of runway crossing clearances and clearances for departing aircraft to line up and wait.
- adoption of ICAO PANS-ATM phraseology by ATC for runway and ground movement operations excluding “conditional phraseology.”
- the need for controllers to “speak at reasonable rates when communicating with flight crews, especially those whose primary language is not English.”
The exact text of these Recommendations is available on SKYbrary: NTSB Runway Incursion Safety Recommendations A-00-66 to A-00-71

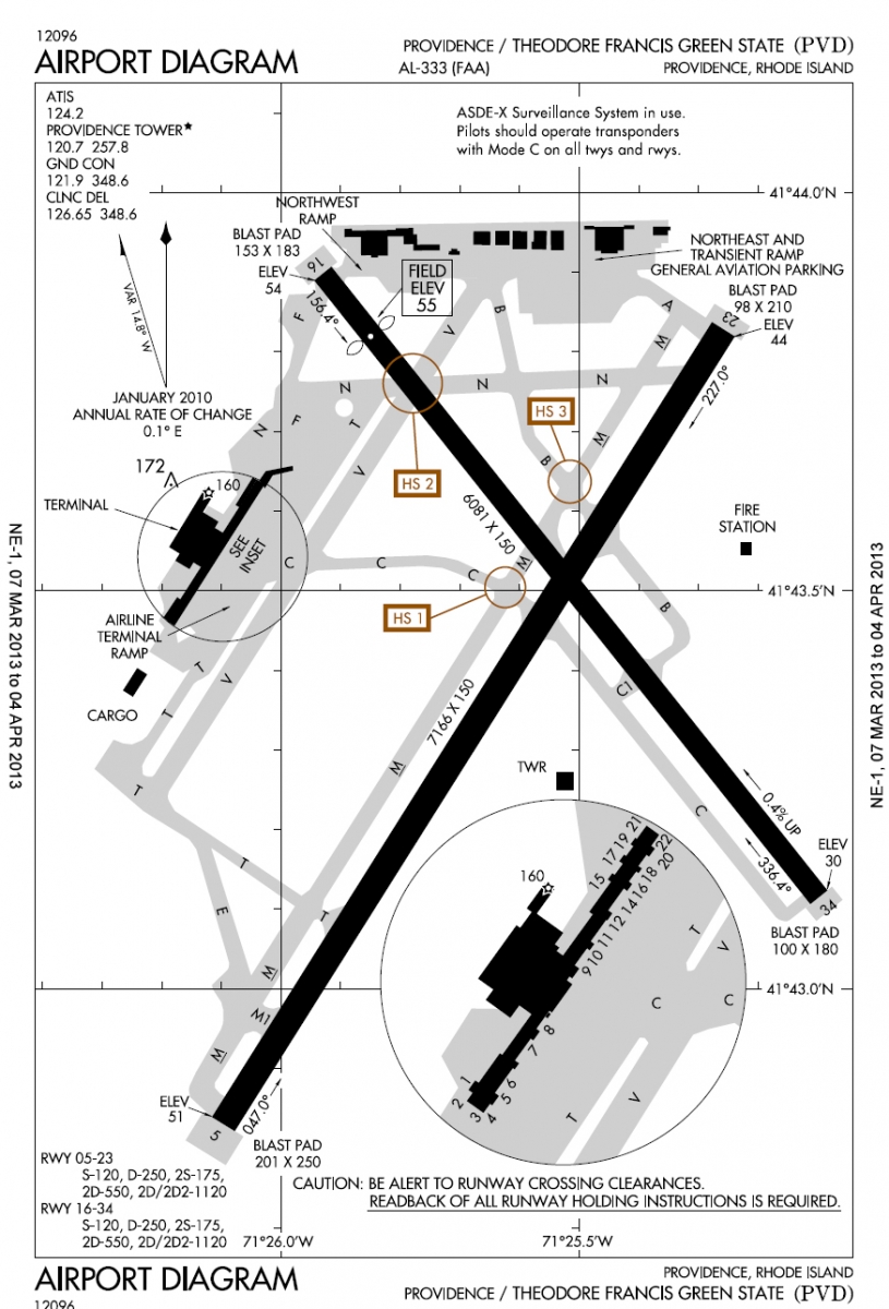
Current aerodrome chart which shows detail changes since the incident and also provides a wider context for the incident diagram by showing an otherwise largely unchanged layout
Since the Investigation, the configuration of taxiways in the area where the conflict occurred has been changed, as can be seen from the current aerodrome chart above.
EDITORS NOTE:
- ^ Runway 05L/23R mentioned in the account above which is not shown on the incident diagram was only used as a taxiway at the time and was subsequently re-designated as taxiway ‘V’ as per the current aerodrome chart.







