RJ1H, vicinity Zurich Switzerland, 2001
RJ1H, vicinity Zurich Switzerland, 2001
Summary
On 24 November 2001, a Crossair Avro RJ100 making a night non precision approach to Zurich violated approach minima and subsequently impacted terrain whilst making a delayed attempt to initiate a go around. The aircraft was destroyed by the impact and post crash fire and 24 of the 33 occupants were killed. The Investigation attributed the crash to the crew deliberately continuing descent below MDA without having acquired the prescribed visual reference. Both crew pairing and aspects of the crew as individuals were identified as the context.
Flight Details
Aircraft
Operator
Type of Flight
Public Transport (Passenger)
Flight Origin
Intended Destination
Take-off Commenced
Yes
Flight Airborne
Yes
Flight Completed
No
Phase of Flight
Descent
Location
Location - Airport
Airport
General
Tag(s)
Non Precision Approach
CFIT
Tag(s)
Into terrain,
No Visual Reference
FIRE
Tag(s)
Post Crash Fire
HF
Tag(s)
Fatigue,
Ineffective Monitoring,
Procedural non compliance,
Violation
Outcome
Damage or injury
Yes
Aircraft damage
Hull loss
Non-aircraft damage
No
Non-occupant Casualties
No
Occupant Injuries
Many occupants
Occupant Fatalities
Many occupants
Off Airport Landing
No
Ditching
No
Causal Factor Group(s)
Group(s)
Aircraft Operation
Safety Recommendation(s)
Group(s)
Aircraft Operation
Air Traffic Management
Investigation Type
Type
Independent
Description
On 24 November 2001, an Avro RJ100 being operated by Swiss carrier Crossair on a scheduled passenger flight from Berlin Tegel to Zurich impacted terrain whilst making a night non precision approach to runway 28 at destination. The aircraft was destroyed by the impact and post crash fire and 24 of the 33 occupants were killed and 5 others sustained serious injuries.
Investigation
An Investigation was carried out by the Swiss BFU/BEA. Flight Data Recorder (FDR) and Cockpit Voice Recorder (CVR) recordings were successfully downloaded as was the content of the non-volatile memory (NVM) from the EFIS Symbol Generators, the Digital Flight Guidance Computers and the Digital ADCs These sources indicated that there were no relevant airworthiness issues in respect of the accident outcome.
It was established that the aircraft had been making a VHF Omnidirectional Radio Range (VOR)/Distance Measuring Equipment (DME) approach and had crashed 4050 metres short of the threshold of runway 28 in a position displaced laterally by 150 metres to the right of the runway extended centreline. The impact and an intense fire thereafter was found to have destroyed most of the aircraft fuselage and large sections of both wings with only the rear part of the airframe, which had been detached from the rest, unaffected by the fire. FDR data showed that immediately prior to the first contact with the trees at an altitude of 1854 feet amsl, the aircraft had been flying on a heading of 274° M with a ground speed of approximately 118 knots. As the go around was attempted and during the initial contact with the trees, engine thrust was increased and pitch attitude changed from -2° to +5° with the 1200 fpm rate of descent reduced to nil. The final position of the wreckage was about 250 metres beyond and below the point at which the aircraft had first come into contact with trees.
The prevailing weather conditions were reviewed. It was noted that the wind velocity in the area of the accident was “from the south at a speed of 3-5 knots” and had no bearing on the accident. It was apparent that “below FL 80 the cloud (had been) compact down to the cloud base” and that “the cloud base in an extended circle around Zurich airport was not uniform”. An analysis based on the statements of a number of pilots suggested that the mean cloud base had varied by sector. For the accident aircraft approach, the consensus was FEW at 500 feet aal and BKN at 1000 feet aal. This was considerably lower than was being broadcast on the Automatic Terminal Information Service (ATIS) at the time and applicable in the vicinity of the aerodrome.
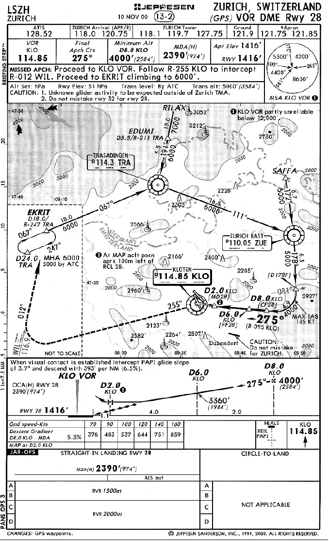
The VOR/DME approach was noted to have applicable minima of 2390 QNH (equivalent to 974 feet aal) and 2000 metres Runway Visual Range (RVR). The vertical profile from a range of 6nm was equivalent to a slope of 3.03° which intercepted the runway PAPI set to 3.7° at a position 2.4nm from the runway threshold (see the IAP Chart below). In a number of matters of detail, the IAP was found not to be ICAO compliant with these differences “not provided for in the relevant national regulations” and not notified to ICAO. It was also noted that whilst the Jeppesen IAP chart which was used by the crew included limited terrain contouring and some obstacles there was no representation in either respect around the runway 28 final approach track whereas the corresponding AIP chart showed two obstacles, one of which was the hill with which the aircraft collided which had an obstacle light at 1880 feet amsl.
CVR and FDR data was used to determine the circumstances of the accident. It was found that the aircraft had essentially followed the procedure in Instrument Meteorological Conditions (IMC) until MDA with the Captain, acting as PF having acquired intermittent ground contact and declared this to the First Officer. The crew had heard the previous aircraft advising ATC after landing that their approach to runway 28 (the first that evening) had been “pretty minimum” with the runway in sight only from 2.2nm. Upon reaching MDA at 3.5nm from the runway threshold, the Captain had declared his intention to continue descent whilst the First Officer had “said quietly to himself 2400”. It was concluded that neither of the pilots had visual contact with the runway or with the approach lights and unequivocally concluded that “therefore the conditions for going below the minimum descent altitude (MDA) and continuing the final approach visually were not met”. Twelve seconds later, the GPWS/TAWS annunciation ‘500’ occurred and after a further 10 seconds the GPWS ‘Minimums’ annunciation occurred, indicating, as a consequence of Crossair policy to set this call at 300 feet for all non precision approaches, that the aircraft was at 300 feet agl even though still over 2nm from the runway threshold. Two seconds later, the Captain called and began a go around, disconnecting the previously engaged AP and as this transition began, the initial impact occurred.
From the FDR data (see the diagram below), it was apparent that the angle of descent after MDA had increased and that for about a minute before the go around was initiated, a constant rate of descent of 1200 fpm had been maintained, with the aircraft deviating below the procedure vertical profile as well as to the right of track.

Track and Descent of the Accident aircraft (CRX 3597) compared to the two preceding flights and reference data (Reproduced from the Official Report)
The Investigation considered that the available evidence indicated that during the final stages of the approach, the Captain “was increasingly orientating himself according to the inadequate visual references” and that “this unconscious changeover between instrument flying and visual flying may have made it more difficult for him to determine the actual position of the aircraft in relation to the runway with regard to its altitude”. It was noted that despite the clear specification of the duties of the two pilots as PF and PNF in the Operations Manual, “the flight crew did not comply with these instructions”.
It was established that no GPWS warnings had been annunciated as the associated Alert envelope had not been breached. It was noted that although new-build aircraft of the same type as the accident aircraft were being delivered with EGPWS (TAWS) installed, at the time of the accident there was no retrofit option available for older aircraft such as the one involved.
The absence of an Minimum Safe Altitude Warning (MSAW) system was noted. It was considered that if an MSAW system had been in use it is highly probably that an alert would have been triggered in sufficient time for ATC to provide a useful warning to the crew. It was stated by the Investigation that such an alert would have occurred once the aircraft descended below the procedure vertical profile and “at the latest on leaving the OCA/MDA prematurely”. It was estimated that with such an alert “even in the most unfavourable case, there would still have been approximately 20 seconds to warn the crew of their dangerously low altitude”.

The Approach Procedure Chart used by the crew (Reproduced from the Official Report)
As part of the Investigation, and in the context of the gross violation of minima which was found to have occurred, the background of the two pilots was examined by the Investigation in some depth. The Captain was found to have had substantial flying experience but very little of this had been on jet aircraft or on any aircraft type with complex flight management systems. His career was found to have involved a number of serious incidents, some not known to Crossair until after the investigated accident. He had also failed jet aircraft type conversions in the past and, at various stages in training and on line, had demonstrated a lack of competence with, and understanding of, various aircraft technical matters and a tendency to deliver poor Crew Resource Management and did “not always adhere strictly to SOPs”. The Investigation found that the Captain “had only been confronted with training in crew resource management (CRM) in the last few years of his career” and noted that “experience has shown that (embracing) this process takes several years". Appendix 9 of the Final Report presents a normalised timeline of performance-related comments made by instructors in respect of the Captains competency during line, route and simulator checks from1968 onwards. This data shows little sign of any trend of either improvement or deterioration over time but a pattern of consistently erratic performance is evident. It was found that the Captain also had part time employment as a light aircraft instrument flying instructor and had flown as such on both the day of the accident and the preceding one prior to beginning duty with Crossair in the afternoon. It was concluded that this had created the possibility that fatigue may have had an effect on his subsequent performance. It was also noted that there was no system in place for either employer to track the flying and duty hours worked at the other.
The First Officer had only recently trained as a pilot and had joined Crossair following the acquisition of a professional licence. He had completed qualification on the accident aircraft type on 12 May 2001 and, including conversion training had accumulated 348 hours on type and had a total of 490 hours total flying experience prior to the accident. However, it was noted that he had slightly more experience on the RJ100 than the Captain having begun his course about two months earlier. It was also noted that the First Officer “was unanimously described by witnesses as sensitive and friendly”. Records from his passage through the Crossair pilot selection procedure showed that he “tended to subordinate himself” and he was described as “lively, but not aggressive, seeking harmony”.
The Investigation considered the effect of this pilot combination and noted that “communication and cooperation between the commander and the copilot took place calmly and professionally” during the approach and considered that “the pronounced calmness which the commander exhibited almost continuously had very probably created in the copilot the impression of an experienced superior who was acting prudently and consciously”. It was noted that, although the evidence showed that the First Officer had been aware of the violation of MDA, he made no attempt to prevent the continuation of the flight below it. It was concluded that “the accident shows that efficient cooperation, which includes optimal use of the crew for mutual monitoring in particular, was present only to an insufficient degree”.
In respect of the decision to begin using runway 28 and the variation in cloud cover between the different approaches, the Investigation noted that at airports with precision approach runways, ICAO Standards require that cloud observations in ATIS broadcasts “must be representative of the middle marker position of the instrument landing system” whereas the same observations in METAR reports “must be representative of the entire airport area and the immediate environment”.
In respect of the change, shortly before the accident, to the use of non precision approaches to runway 28 in preference to ILS approaches to runways 14 or 16, it was noted that this was a consequence of a change in operating practices based on night noise abatement considerations in respect of the approaches to both precision approach runways over German territory introduced with effect from 19 October 2001. The basis for this was a State Agreement between Switzerland and Germany.
The formal statement of Cause was as follows:
“The accident is attributable to the fact that on the final approach, (under) own navigation, of the standard VOR/DME approach 28 the aircraft flew controlled into a wooded range of hills (controlled flight into terrain - CFIT), because the flight crew deliberately continued the descent under instrument flight conditions below the minimum altitude for the approach without having the necessary prerequisites. The flight crew initiated the go around too late.”
Causal Factors were identified as follows:
- The commander deliberately descended below the minimum descent altitude (MDA) of the standard VOR/DME approach 28 without having the required visual contact to the approach lights or the runway
- The Copilot made no attempt to prevent the continuation of the flight below the minimum descent altitude.
Also, the following Factors were identified as contributing to the accident:
- In the approach sector of runway 28 at Zurich airport there was no system available which triggers an alarm if a minimum safe altitude is violated (Minimum Safe Altitude Warning - MSAW).
- Over a long period of time, the responsible persons of the airline did not make correct assessments of the commander’s flying performance. Where weaknesses were perceptable, they did not take appropriate measures.
- The commander’s ability to concentrate and take appropriate decisions as well as his ability to analyse complex processes were adversely affected by fatigue.
- Task-sharing between the flight crew during the approach was not appropriate and did not correspond to the required procedures by the airline.
- The range of hills which the aircraft came into contact with was not marked on the approach chart used by the flight crew.
- The means of determining the meteorological visibility at the airport was not representative for the approach sector runway 28, because it did not correspond to the actual visibility.
- The valid visual minimums at the time of the accident were inappropriate for a decision to use the standard VOR/DME approach 28.
A total of 14 Safety Recommendations were made as a result of the Investigation, all prior to the publication of the Final Report.
On 11 April 2002, the following 8 Safety Recommendations were issued:
- that the Federal Office for Civil Aviation should investigate whether criteria can be laid down according to which not only the flying experience of the individual crew members is taken into account for the composition of a flight crew. In particular, the extent to which guidelines concerning qualitative criteria can be laid down and appropriate control procedures drafted for their application should be examined. This should be performed in order to ensure that until the necessary aptitudes are demonstrated, crew members newly assigned to a specific aircraft type or to a specific operation are guided and supported by an experienced crew member. The Federal Office for Civil Aviation should if necessary propose to the Joint Aviation Authority (JAA) an amendment of the relevant specifications in JAR OPS 1. [Recommendation No. 33]
- that the Federal Office for Civil Aviation should check the criteria, regulations and procedures which govern the selection and conversion of pilots of aircraft with piston engines or turboprop propulsion systems to aircraft with jet engines or aircraft with modern equipment (e.g. Saab 2000, Embraer and Airbus). [Recommendation No. 34]
- that the Federal Office for Civil Aviation should check the performance and knowledge of those Crossair pilots and if necessary those of other operators whose career includes peculiarities, gaps, or particular incidents. This check should not be limited to looking through a pilot’s dossier, but should include long-term observation and at least random checks on performance on scheduled flights. Appropriate measures should be taken for pilots with inadequate performance, in cooperation with airline management and psychomedical experts. [Recommendation No. 35]
- that the Federal Office for Civil Aviation should check the extent to which the Crossair standard flight procedure needs to be adapted. In particular it should be checked whether, during a non-precision approach, the minimum descent altitude (MDA) should be set on the mode control panel instead of the go around altitude (the current Crossair procedure). [Recommendation No. 36]
- that the Federal Office for Civil Aviation should examine measures which ensure that large aircraft without a terrain awareness and warning system are retrofitted with such a system as quickly as possible. [Recommendation No. 37]
- that the Federal Office for Civil Aviation should check whether the current system of weather observation from runway 16 and the configuration of the measuring instruments is appropriate, above all in critical weather conditions, for providing a weather report which contains information which is as applicable for runway 28 as it is for runways 14/16. Especially when the weather for the runway 28 approach sector is worse or more changeable than for the airport as a whole, crews should be provided with a specific weather report. Until an improved weather observation system is introduced, the increased minimums imposed for the approach to runway 28 after the accident should be maintained. [Recommendation No. 38]
- that the Federal Office for Civil Aviation should arrange for the approach sector of runway 28 to be equipped with a minimum safe altitude warning system which provides an automatic visual and acoustic warning of critical altitude violations. The ATC operating regulations must then be complemented by regulations on warning crews in the case of such critical altitude violations (analogous to the MSAW already installed for the approach sectors of runways 14 and 16). [Recommendation No. 39]
- that the Federal Office for Civil Aviation should use its influence to ensure that obstacles below approach paths are entered in broadly distributed publications such as the Jeppesen route manual, for example. [Recommendation No. 40]
The Final Report notes that the Federal Office for Civil Aviation subsequently commented to the effect that the issues raised in the first three of these recommendations were essentially matters for a aircraft operator rather than matters requiring more regulation or other external intervention. The matters raised in the remainder were accepted.
On 2 October 2003, a further 6 Safety Recommendations were issued. During this interval, the name of the aircraft operator involved changed from Crossair to Swiss International Airlines. The additional recommendations were as follows:
- that the Federal Office for Civil Aviation should check the extent to which a visual descent point (VDP) should be added to the approach charts for non-precision approaches. [Recommendation No. 94]
- that the Federal Office for Civil Aviation should check the extent to which the valid minimum visual ranges for non-precision approaches should be adapted, so that a final approach with the necessary visual references is possible from the visual descent point. [Recommendation No. 95]
- that the Federal Office for Civil Aviation should check whether the terrain profile along the approach path should be entered in the approach charts for all categories of instrument approach. [Recommendation No. 96]
- that the Federal Office for Civil Aviation should, together with the operator, check how a complete check on total flying duty time and rest time can be guaranteed. [Recommendation No. 97]
- that the Federal Office for Civil Aviation should, within the framework of the quality systems required according to the provisions of the Joint Aviation Authorities (JAA) JAR-OPS 1.035 on the commercial carriage of persons and goods in aircraft, demand procedures from the operators which indicate and eliminate deficits in the behaviour and working practices of flight crews by means of internal company measures and should monitor these procedures. [Recommendation No. 98]
- that the Federal Office for Civil Aviation should arrange for qualifications and proficiency checks to be administered, at least on a random sample basis, by inspectors or independent experts from the Federal Office. [Recommendation No. 99]
In respect of all these Recommendations, the response of the Federal Office for Civil Aviation was still pending at the time of publication of the Final Report.
A summary of Safety Action taken and planned by the aircraft operator as a result of the accident was noted as having been provided by Swiss International Airlines on 14 February 2003 and included in the Final Report as submitted. An updated version of the ‘Action Plan’ included with the 14 February summary was provided to the Investigation on 8 December 2003 and was included verbatim in the Final Report.
The Final Report of the Investigation was published on 3 February 2004. The Report is available in three languages:
- Final Report - English
- Final Report - German
- Final Report - French







